| |
|
| 一、管道过滤器 |
1. 产品性能及用途
管道过滤器是除去流体中悬浮物的主要设备,可保护下游设备的正常运转或提高物料的产品质量。工作时悬浮物被过滤元件阻挡在过滤器内,而理想的流体则由过滤器出口排出。管道过滤器结构简单,使用维护极为方便。 |
| 2. 型号标注 |
 |
3. 标注示例
*选择公称直径200mm,公称压力1.6MPa,SBY型,碳钢材质,滤网60目/英寸的Ⅱ型过滤器。
标注:SBY200Ⅱ-1.6/60C
*选择公称直径100mm,公称压力2.5MPa,SBL型,不锈钢材质,滤网30目/英寸的Ⅰ型过滤器。
标注:SBL200Ⅰ-2.5/30S |
4. 结构尺寸
(1)Y型焊接式法兰连接过滤器(SBYⅠ型)(见表19图17)DN 15~40,PN≤6.3。 |
表19
公称直径DN |
结构尺寸 |
管塞 |
L |
H |
15 |
260 |
180 |
R1/4" |
20 |
270 |
190 |
R1/4" |
25 |
270 |
190 |
R1/4" |
32 |
280 |
230 |
R1/4" |
40 |
280 |
240 |
R1/4" |
|

图17 |
|
| (2)Y型焊接式法兰连接过滤器(SBYⅡ型)(见表20图18)DN 50~400,PN≤6.3。 |
表20
公称直径DN |
结构尺寸 |
管塞 |
L |
H |
50 |
290 |
240 |
R3/8" |
65 |
320 |
280 |
R3/8" |
80 |
350 |
305 |
R3/8" |
100 |
425 |
345 |
R3/8" |
150 |
540 |
450 |
R3/4" |
200 |
700 |
530 |
R3/4" |
250 |
800 |
670 |
M20×1.5 |
300 |
950 |
750 |
M20×1.5 |
350 |
1050 |
850 |
M20×1.5 |
400 |
1250 |
920 |
M20×1.5 |
|

图18 |
|
| |
| |
| (3)T型焊接式法兰连接过滤器(SBYⅢ型)(见表21图19)DN
80~400,PN≤6.3。 |
表21
公称直径DN |
结构尺寸 |
管塞 |
L1 |
L2 |
80 |
330 |
150 |
R3/8" |
100 |
360 |
160 |
R3/8" |
150 |
440 |
200 |
R3/4" |
200 |
540 |
230 |
R3/4" |
250 |
600 |
270 |
M20×1.5 |
300 |
680 |
300 |
M20×1.5 |
350 |
750 |
340 |
M20×1.5 |
400 |
850 |
380 |
M20×1.5 |
|

图19 |
|
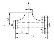
| (4)T型对焊连接式过滤器(SBYⅣ型)(见表22图20)DN 80~400,PN≤10.0。 |
表22
公称直径
DN |
D1=D2 |
L2=L3 |
L1 |
管塞 |
PN2.0 |
PN2.5 |
PN4.0 |
PN5.0 |
PN10 |
80 |
89 |
68 |
268 |
261 |
263 |
282 |
289 |
R3/8" |
100 |
108 |
105 |
312 |
304 |
314 |
330 |
352 |
R3/8" |
150 |
159 |
143 |
402 |
292 |
394 |
423 |
453 |
R3/4" |
200 |
219 |
178 |
489 |
469 |
487 |
510 |
546 |
R3/4" |
250 |
273 |
216 |
566 |
550 |
579 |
599 |
649 |
M20×1.5 |
300 |
325 |
254 |
656 |
632 |
670 |
691 |
732 |
M20×1.5 |
350 |
377 |
279 |
722 |
695 |
730 |
757 |
795 |
M20×1.5 |
400 |
426 |
305 |
776 |
764 |
808 |
815 |
866 |
M20×1.5 |
|

图20 |
|
| (5)T型直通对焊连接式过滤器(SBYⅤ型)(见表23图21)DN 50~400,PN≤10.0。 |
表23
公称直径
DN |
D0 |
L |
H |
管塞 |
50 |
57 |
128 |
175 |
R1/2" |
65 |
76 |
152 |
195 |
R1/2" |
80 |
89 |
172 |
210 |
R1/2" |
100 |
108 |
210 |
230 |
R1/2" |
125 |
133 |
248 |
310 |
R3/4" |
150 |
159 |
286 |
335 |
R3/4" |
200 |
219 |
356 |
400 |
R3/4" |
250 |
273 |
432 |
450 |
M20×1.5 |
300 |
325 |
508 |
535 |
M20×1.5 |
350 |
377 |
558 |
580 |
M20×1.5 |
400 |
426 |
610 |
640 |
M20×1.5 |
|

图21 |
|
| |
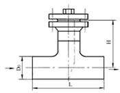
| (6)篮式直通法兰连接式过滤器(SBLⅠ型)(见表24图22)DN
25~300,PN≤6.3。 |
表24
公称直径
DN |
结构尺寸 |
管塞 |
L |
H |
H1 |
D0 |
25 |
180 |
260 |
160 |
76 |
R3/4" |
32 |
200 |
270 |
160 |
76 |
R3/4" |
40 |
260 |
300 |
170 |
108 |
R3/4" |
50 |
260 |
300 |
170 |
108 |
R3/4" |
65 |
330 |
360 |
210 |
133 |
R3/4" |
80 |
340 |
400 |
250 |
159 |
R3/4" |
100 |
400 |
470 |
300 |
219 |
R3/4" |
125 |
480 |
550 |
360 |
273 |
R3/4" |
150 |
500 |
630 |
420 |
273 |
R3/4" |
200 |
560 |
780 |
530 |
325 |
R3/4" |
250 |
660 |
930 |
640 |
426 |
M20×1.5 |
300 |
750 |
1200 |
840 |
478 |
M20×1.5 |
|

图22 |
|
| (7)篮式支承直通法兰连接式过滤器(SBLⅡ型)(见表25图23) DN 350~500,PN≤6.3。 |
表25
公称直径
DN |
结构尺寸 |
管塞 |
L |
D0 |
D1 |
H |
H1 |
H2 |
n-Φ |
350 |
800 |
500 |
420 |
1680 |
300 |
1310 |
3-Φ20 |
R1" |
400 |
840 |
550 |
450 |
1850 |
300 |
1450 |
3-Φ20 |
450 |
960 |
600 |
520 |
2050 |
300 |
1610 |
3-Φ24 |
500 |
1060 |
700 |
620 |
2210 |
300 |
1740 |
3-Φ24 |
|

图23 |
|
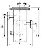
| (8)篮式高低接管法兰连接式过滤器(SBLⅢ型)(见表26图24)DN 25~300,PN≤6.3。 |
表26
公称直径
DN |
结构尺寸 |
管塞 |
L |
H |
H1 |
H2 |
D0 |
25 |
180 |
280 |
110 |
180 |
76 |
R3/4" |
32 |
200 |
285 |
110 |
180 |
76 |
R3/4" |
40 |
260 |
340 |
120 |
220 |
108 |
R3/4" |
50 |
260 |
340 |
120 |
220 |
108 |
R3/4" |
65 |
330 |
400 |
160 |
270 |
133 |
R3/4" |
80 |
340 |
460 |
180 |
320 |
159 |
R3/4" |
100 |
400 |
550 |
220 |
390 |
219 |
R3/4" |
125 |
480 |
630 |
260 |
450 |
273 |
R3/4" |
150 |
500 |
720 |
310 |
530 |
273 |
R3/4" |
200 |
560 |
900 |
390 |
670 |
325 |
R3/4" |
250 |
660 |
1070 |
480 |
800 |
426 |
M20×1.5 |
300 |
750 |
1360 |
640 |
1040 |
478 |
M20×1.5 |
|

图24 |
|
| |
| (9)篮式支承高低接管法兰连接式过滤器(SBLⅣ型)(见表27图25)DN
350~500,PN≤6.3。 |
表27
公称直径
DN |
结构尺寸 |
管塞 |
L |
D0 |
D1 |
H |
H1 |
H2 |
H3 |
n-Φ |
350 |
800 |
500 |
420 |
1890 |
300 |
1070 |
1520 |
3-Φ20 |
R1" |
400 |
840 |
550 |
440 |
2000 |
300 |
1080 |
1600 |
3-Φ20 |
450 |
960 |
600 |
520 |
2320 |
300 |
1280 |
1880 |
3-Φ24 |
500 |
1060 |
700 |
620 |
2510 |
300 |
1390 |
2040 |
3-Φ24 |
|

图25 |
|
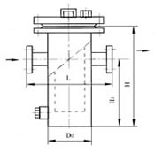
| (10)气体过滤器(SBQ型)(见表28图26)DN 40~400,PN 1.6~4.0。 |
表28
公称直径
DN |
D1 |
D2 |
结构尺寸L |
PN≤1.6 |
1.6<PN≤4.0 |
40 |
45 |
89 |
450 |
460 |
50 |
57 |
108 |
510 |
500 |
65 |
76 |
133 |
600 |
600 |
80 |
89 |
219 |
620 |
640 |
100 |
108 |
219 |
720 |
770 |
125 |
133 |
273 |
820 |
900 |
150 |
159 |
325 |
920 |
1000 |
200 |
219 |
426 |
1200 |
1250 |
250 |
273 |
529 |
1650 |
1600 |
300 |
325 |
630 |
1700 |
1900 |
350 |
377 |
720 |
1800 |
2200 |
400 |
426 |
820 |
2100 |
2400 |
|

图26 |
|
| (11)尖顶锥形临时过滤器(SCⅠ型)(见表29图27)DN 25~600,PN≤2.5。 |
表29
公称直径
DN |
结构尺寸 |
d |
l |
h |
t |
PN0.6 |
PN1.0 |
PN2.5 |
25 |
62 |
70 |
70 |
26 |
90 |
2 |
32 |
72 |
80 |
80 |
34 |
100 |
2 |
40 |
84 |
90 |
90 |
41 |
120 |
2 |
50 |
94 |
105 |
105 |
55 |
130 |
2 |
65 |
114 |
125 |
125 |
77 |
140 |
2 |
80 |
132 |
142 |
142 |
92 |
150 |
2 |
100 |
152 |
162 |
162 |
113 |
160 |
2 |
125 |
182 |
192 |
192 |
143 |
190 |
2 |
150 |
206 |
218 |
218 |
172 |
210 |
2 |
200 |
262 |
282 |
282 |
242 |
240 |
2 |
250 |
316 |
340 |
340 |
302 |
270 |
3 |
300 |
370 |
395 |
395 |
363 |
300 |
3 |
350 |
420 |
454 |
454 |
425 |
340 |
6 |
400 |
470 |
510 |
510 |
479 |
365 |
6 |
500 |
575 |
616 |
626 |
600 |
430 |
6 |
600 |
676 |
726 |
726 |
714 |
490 |
6 |
|

图27 |
|
| (12)平顶锥形临时过滤器(SCⅡ型)(见表30图28)DN 25~600,PN≤2.5。 |
表30
公称直径
DN |
结构尺寸 |
d |
l |
h |
t |
PN0.6 |
PN1.0 |
PN2.5 |
25 |
62 |
70 |
70 |
46 |
90 |
2 |
32 |
72 |
80 |
80 |
61 |
100 |
2 |
40 |
84 |
90 |
90 |
66 |
120 |
2 |
50 |
94 |
105 |
105 |
81 |
130 |
2 |
65 |
114 |
125 |
125 |
91 |
140 |
2 |
80 |
132 |
142 |
142 |
111 |
150 |
2 |
100 |
152 |
162 |
162 |
141 |
160 |
2 |
125 |
182 |
192 |
192 |
172 |
190 |
2 |
150 |
206 |
218 |
218 |
202 |
210 |
2 |
200 |
262 |
282 |
282 |
262 |
240 |
2 |
250 |
316 |
340 |
340 |
322 |
270 |
3 |
300 |
370 |
395 |
395 |
362 |
300 |
3 |
350 |
420 |
454 |
454 |
404 |
340 |
6 |
400 |
470 |
510 |
510 |
464 |
365 |
6 |
500 |
575 |
616 |
626 |
564 |
430 |
6 |
600 |
676 |
726 |
726 |
684 |
490 |
6 |
|

图28 |
|
| |