过滤及分离设备
二、精细过滤器
  本公司生产的SJG系列精细过滤器是在吸收国外技术的基础上研制成功的,已在石油化工、冶金、电力、轻工等行业得到了推广,其应用领域如下:食品、饮料、制药、汽车涂装、机械加工、纺织染料、工业纯水、供气系统、海水淡化、石油开采、三废回收、燃油(气)发电、 汽车燃气、循环供水等均能满足过滤净化要求,具有过滤容积大、效率高、压差低、控制系统可靠,使用及维修方便等优点。从而保证生产过程顺利进行及下游装置正常运转。

1. 金属滤芯精细过滤器(SJG-X型)
(1) 金属纤维烧结过滤器(SJG-QX型):滤芯材料是一种耐久和可折绉的不锈钢金属纤维烧结毡(材质为316L),这种极其多孔的材料被制成均一或阶梯孔结构,对气、液的各种过滤要求具有极广的适用性,其过滤的完整性反映在高温及高压差下具有广泛的过滤能力,过滤精度范围(0.3~60μm),纳污能力强,使用寿命长,流量大、阻力小等优点。金属纤维烧结滤材性能参数见表31
                                            表31
滤材规格
μm
厚度
mm
孔隙率
%
绝对过滤度
μm
纳污量
mg/cm2
透气度
l/dm2min
3
0.35
65
3
6.4
9
5
0.34
78
5
5.5
34
7
0.27
72
7
6.5
57
10
0.32
77
10
7.5
100
15
0.37
80
15
7.9
175
20
0.49
81
20
12.4
255
25
0.61
79
25
19.4
320
30
0.63
79
30
23.1
455
40
0.66
77
40
26
580
60
0.7
87
60
34
1000

金属纤维烧结过滤元件具有以下突出优点:
①过滤精度高,压力损失小。这是由微米级细纤维构成了高空隙率的深层滤层所致;对0.1~100μm的颗粒能实现95%以上的截留率。
②异物截留容量大(过滤寿命长)。这是由具有70%~90%空隙率的三维结构进行深层过滤所致。大异物先由粗滤层截留,小异物由精滤层截留。
③强度(耐压性)高。纤维滤层的两面(或单面)加有支承金属网同时烧结,加以保护。
④能在高温、高压下过滤高粘度(数千至数万泊)聚合物。
⑤洗涤再生性好。由于耐腐蚀,所以可用酸、碱及各种有机溶剂洗涤。也可以用超声波洗涤。当整个过滤系统为自控时,采用滤后清洁介质洗涤。
(2)金属粉末烧结微孔过滤器(SJG-FX型):滤芯材料采用金属粉末微孔烧结管(材质为:青铜、不锈钢、钛、镍等),具有应用范围广,孔分布均匀,强度高,耐高温,表面光滑,性能均匀稳定的特点。主要用于气体和液体的过滤、净化、分离,还可用于导热油的过滤。金属粉末微孔烧结滤材性能参数见表32

滤材规格
μm
厚度
mm
孔隙率
%
绝对过滤度
μm
纳污量
mg/cm2
透气度
l/dm2min
6
2
28
6
2
0.012
10
2
33
10
2.5
0.97
15
3
44
15
5.2
1.6
18
2
29
18
5.5
5.5
26
2
33
26
3.4
10.8
40
3
37
40
4.5
15
53
3
43
53
9.45
14.5

(3)金属丝网烧结过滤器(SJG-SX):滤芯材料采用若干层编织金属网烧结而成。过滤精度15μm以上,空隙率为25~40%,其滤芯形状可以是板型,也可以是管型。用此种材料制成的过滤器,可在300℃和15MPa的条件下过滤高粘度聚合物。此种滤材可借助溶剂,盐浴及高压水喷射得到洗涤再生。金属网的材质以不锈钢304和316为主。
金属丝网烧结过滤器主要用途为熔融聚合物的过滤,回收触煤过滤,化学和医药及食品领域的过滤,高温气体过滤,低温介质的过滤,反渗透和超过滤的预过滤。
(4)金属楔形网过滤器(SJG-XX):滤芯材料采用楔形网(也称约翰逊筛网JOHNSON),材质为不锈钢304等。该筛网由筛网条与垂直排到支撑杆焊接,形成连续的均匀条状缝隙。可制成圆桶形、半圆形、扇形、平面形、曲面形等不同形状,满足各类过滤工艺的需要。相邻金属丝的间隙大于100um以上均可设计制造 。
主要优点:防止堵塞效果好;耐高温;强度高抗磨损寿命长等。
广泛使用在石油、化工、医药、冶金、轻工、食品等行业的水处理系统或相关净化处理的预处理工艺中。
 
2. 高分子滤芯精细过滤器
(1)高分子微孔精细过滤器(SJG-1~40P):滤芯材料为PE、PA微孔烧结管,在过滤时料液由管壁进入管内,滤渣留在管壁上形成滤饼,当滤阻增加到过滤流量不能满足要求时,可利用压缩空气或清液反吹,滤渣很容易脱落。PE、PA管为塑料制品,耐酸碱,当微孔管不能反吹再生时,可整体用酸或碱浸泡再生,微孔PE管耐温<80℃;微孔PA管耐温<110℃。过滤精度5-120μm,机械强度高。高分子微孔精细过滤器型号及规格见表33和基本结构形式图29
                              表33
型号
过滤面积m2
处理量m3/h
外壳直径D
mm
总高度H
mm
SJG-1P
1
0.2~0.3
300
1600
SJG-2P
2
0.4~0.5
400
2000
SJG-3P
3
0.5~0.8
400
2300
SJG-5P
5
0.8~1.2
500
2700
SJG-8P
8
1.2~1.6
550
2750
SJG-10P
10
1.5~2
800
2850
SJG-15P
15
2.5~3
900
3200
SJG-20P
20
3~4
900
3500
SJG-30P
30
5~6
1000
4500
SJG-40P
40
6~8
1200
4700

图29
 注:①P表示过滤器滤芯采用PE或PA请注明。
②处理量以水为计算依据。
  (2)缠绕式精细过滤器(SJG-C型):滤芯是将纺织纤维纱规则而精密地缠绕在多孔骨架上面制成的,缠绕密度和滤孔形状确定滤芯精度。具有优良的过滤效果以及化学相溶性,缠绕式精细过滤器有效地滤除液体悬浮物、微粒、广泛应用于水处理、油田注水、医药化工、电镀液电泳、食品饮料、洗涤及磁性溶液的过滤。过滤精度0.5~150μm,耐温不超过120℃。
(3)聚丙烯纤维毡折叠式精细过滤器(SJG-J型):滤芯是由聚丙烯超细纤维毡经折叠而制成的,单支过滤面积大,从而处理量也相应增加,过滤效率高,可灭菌消毒而广泛应用于电子工业、医药工业、化工工业、食品饮料工业等液体、气体的过滤。过滤精度0.5~100μm,耐温不超过60℃。
以上结构参照图(29)或由用户提供参数进行特殊设计。

3. 陶瓷滤芯精细过滤器
陶瓷系列微孔过滤器 [SJG-0.5~10L(Q)]:是以陶瓷为过滤元件的气液分离与净化装置,它以刚玉砂、石英砂、矾土等高耐火性原料为主料,配以结合剂,改性剂等,经高温烧结而成。其结构内部均匀分布有大量开口气孔,具有微孔易于控制,空隙率高孔径均匀等特点,该过滤器渗透性好,耐高温,尤其抗酸、碱腐蚀,可适用于各种介质的气液体过滤。陶瓷微孔过滤器是一种高精度过滤装置,一般过滤精度为:0.5、1、3、5、10μm五个等级,用户可根据需要的精度选择相应过滤器型号。陶瓷滤芯性能参数见表34
                                            表34
性能
材质
微孔径
μm
气孔率
%
抗压强度
MPa
耐酸性
%
耐碱性
%
最大工作
压差MPa
耐温
刚玉质G
1~300
28~50
20~100
≥98
≥98
0.8
800
石英砂S
1~200
30~60
10~40
≥99
≥95
0.6
200
硅藻土D
1~10
55~65
5~45
90
90
0.3
300

陶瓷系列微孔过滤器型号规格见表35
                                            表35
型号
外壳直径
mm
滤芯规格
滤芯
材料
滤芯
数量
过滤面积
m2
液体
气体
外径
内径
流量
m3/h
最大工作
压力MPa
流量
m3/h
最大工作
压力MPa
SJG-0.5/100
1000
150
114
G



S
21
10
10~20
1~6
1000~1800
1~6
SJG-1/1000
20~30
1~6
2000~2700
1~6
SJG-3/1000
50~60
1~4
3000~4500
1~4
SJG-5/1000
60~80
1~4
5000~7500
1~4
SJG-10/1000
100~150
1~2
8000~11000
1~4
SJG-0.5/600
600
70
40
19
4.12
4~8
1~6
400~750
1~6
SJG-1/600
10~15
1~6
600~950
1~4
SJG-3/600
15~25
1~4
1000~1400
1~4
SJG-5/600
20~30
1~4
2000~2800
1~4
SJG-10/1000
30~50
1~4
3000~4500
1~4
 注:①过滤器流量,液体(L)、气体(Q)分别以水、空气为计算依据。
②其他结构和要求请参照图(29)。
 
4. 袋式精细过滤器
该过滤器是一种结构新颖、体积小、操作简便灵活,通用性强的多用途过滤设备,该过滤器设计成单容器和复式容器过滤器或多袋式等型式。滤袋材料有聚酯、尼龙、聚丙烯、羊毛及氟化物等不同纤维制成的袋子。
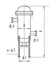
(1)单容器滤袋过滤器(SJG-1D):
单容器滤袋过滤器结构参数见表36图30
                              表36
进出口
(mm)
安 装 尺 寸 (mm)
Q
(m3/h)
过滤精度
μm
DN50
A
B
C
D
E
F
G
10
2~1200
310
360
800
300
110
340
310

注:表中所列流量以水为计算依据。

图30
(2)复式容器滤袋过滤器(SJG-2~3D):
用于高流量及配料式、分批工作的场合由平行安装在一公共集流管

上的两个或多个容器装置所组成,并可以控制各种用途上的不同流速,

可以连续地操作,这些容器可装有阀门所以在清洗每个过滤器装置时,

能用阀门单独切断液流,而其它容器可继续进行过滤,处理量及几何尺

寸与单容器滤袋过滤器相似。复式溶器滤袋过滤器结构简图见图31

图31
 
(3)多袋式过滤器型号、规格见表37基本结构示意图可以参照图32
表37
型号
流量m3/h
滤袋数
进出口规格
mm
结构尺寸mm
Φ
H
Φ1
n-Φ2
SJG-3D
120
3
100
600
2100
560
3-23
SJG-4D
160
4
125
600
2100
560
3-23
SJG-6D
240
6
150
800
2200
750
3-23
SJG-8D
320
8
200
900
2400
850
3-26
SJG-10D
400
10
250
1000
2900
950
3-26
SJG-12D
480
12
250
1000
2900
950
3-26
SJG-16D
640
16
300
1200
3000
1150
4-30
SJG-18D
720
18
350
1200
3000
1150
4-30
  注:①流量以水为计算依据。
②滤袋特定代号为12。

图32
5. 双桶自动(手动)反冲洗精细过滤器
(1)适用范围:连续运行的工况
(2)控制形式:设置手动,PLC程控和计算机闭环控制三种形式。
(3)性能特点:滤材稳定可靠、控制灵活多变、多罐并联、连续运行、反洗率高、操作方便。
(4)基本结构形式如图33,也可特殊设计和制造。

图33
南通市松立机械有限公司 地址:启东市汇龙镇环城北路 邮编:226200 联系人:顾永生 手机:13801464197
电话:0513-83214397 83356629 传真:0513-83214397 http://www.ntsljx.com E-mail:sl@ntsljx.com
炼炉混氧器