|
||||||||||||||||||||||||||||||||||||||||||||||||||||||||||||||||||||||||||||||||||||||||||||||||||||||||||||||||||||||||||||||||||||||||||||||||||
| 六、SLN型高效除油器 | ||||||||||||||||||||||||||||||||||||||||||||||||||||||||||||||||||||||||||||||||||||||||||||||||||||||||||||||||||||||||||||||||||||||||||||||||||
| 1.工作原理及结构特点 高效除油器主要由旋风分离器惯性除沫器、预滤盒、精滤芯、排污阀、压力及温度表等组成。夹带油水的压缩空气,由进气管以切线方向进入除油器,经过旋风分离,部分液态油、水被分离出来。然后气体通过惯性除沫器,在惯性碰撞作用下,气、液进一步分离。经过预滤盒,气体中粒径大的悬浮物被滤除,对后级精滤芯起保护作用。气体通过精滤芯,粒径大于1μm的固体粒子被滤除;粒径微小的油雾、水雾被 收集在精滤芯上,并凝聚成较大的液滴,在重力作用下,沉降至精滤芯底部。分离出来的油、水由各排污口排出,经除油处理的压缩空气由除油器顶端的出气口输出。除油器主要用于去除压缩空气和其它压缩气体中的液相。 2.主要技术参数及工况见表42 |
||||||||||||||||||||||||||||||||||||||||||||||||||||||||||||||||||||||||||||||||||||||||||||||||||||||||||||||||||||||||||||||||||||||||||||||||||
表42
|
||||||||||||||||||||||||||||||||||||||||||||||||||||||||||||||||||||||||||||||||||||||||||||||||||||||||||||||||||||||||||||||||||||||||||||||||||
| 注:1.高效除油器须在室内、环境温度0℃至80℃的条件下使用。 2.高效除油器的正常工作压力不得低于最高工作压力80%。 |
||||||||||||||||||||||||||||||||||||||||||||||||||||||||||||||||||||||||||||||||||||||||||||||||||||||||||||||||||||||||||||||||||||||||||||||||||
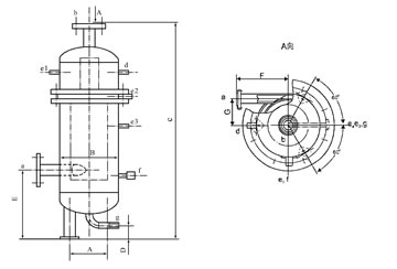
| 3.结构参数及管口方位见图37、表43 | ||||||||||||||||||||||||||||||||||||||||||||||||||||||||||||||||||||||||||||||||||||||||||||||||||||||||||||||||||||||||||||||||||||||||||||||||||
表43
注:a、本表数据以压力≤0.7MPa为准。 b、本公司可按用户的要求,设计、制造特殊工艺参数高效除油器。 c、工作压力与流量换算系数见下表
|
||||||||||||||||||||||||||||||||||||||||||||||||||||||||||||||||||||||||||||||||||||||||||||||||||||||||||||||||||||||||||||||||||||||||||||||||||
![]() 图37 |
||||||||||||||||||||||||||||||||||||||||||||||||||||||||||||||||||||||||||||||||||||||||||||||||||||||||||||||||||||||||||||||||||||||||||||||||||
a.压缩空气进口 b.压缩空气出口 d.压力表接口 e1.取样口 e2、e3.排污口 f.温度计接口 g.排污口 |
||||||||||||||||||||||||||||||||||||||||||||||||||||||||||||||||||||||||||||||||||||||||||||||||||||||||||||||||||||||||||||||||||||||||||||||||||