过滤及分离设备
八、气液(油、水)分离器
  压缩空气在管道内流动过程中,由于压力和温度的变化,使压缩空气中的油水析出。因此在工矿企业主管道入口处应设置气液分离器。
压缩空气系统中的气液分离器分为:旋风式气液分离器和直通式气液分离器。

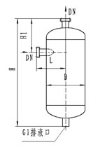
1. SXQY型旋风式气液分离器如图39及结构尺寸见表45

图39
                              表45
型号
DN
H
H1
D
L
SXQY-25
25
860
170
159
180
SXQY-32
32
860
170
159
180
SXQY-40
40
940
300
219
200
SXQY-50
50
940
300
219
200
SXQY-65
65
945
315
325
260
SXQY-80
80
945
315
325
260
SXQY-100
100
995
350
426
310
SXQY-125
125
1290
420
516
400
SXQY-150
150
1450
500
616
500
SXQY-200
200
1590
580
716
550
               注:表内尺寸按工作压力0.8MPa为依据。
2. SZQY型直通式气液分离器如图40及结构尺寸见表46                      

图40
                              表46
型号
DN
H
H1
D
L
SZQY-25
25
760
165
159
100
SZQY-32
32
760
165
159
100
SZQY-40
40
840
200
219
100
SZQY-50
50
840
200
219
100
SZQY-65
65
845
210
325
100
SZQY-80
80
845
215
325
100
SZQY-100
100
915
250
426
120
SZQY-125
125
1070
300
516
120
SZQY-150
150
1250
325
616
120
SZQY-200
200
1410
440
716
120
                注:表内尺寸按工作压力0.8MPa为依据。
3. 根据客户需要和工艺参数,设计生产
(1)立式和卧式重立分离器 (2)立式和卧式丝网分离器
南通市松立机械有限公司 地址:启东市汇龙镇环城北路 邮编:226200 联系人:顾永生 手机:13801464197
电话:0513-83214397 83356629 传真:0513-83214397 http://www.ntsljx.com E-mail:sl@ntsljx.com
炼炉混氧器