阻火器、阻火呼吸阀、视镜、规整填料
二、燃气阻火器
1.产品用途
本公司生产的燃气阻火器是按国标GB50160-92《石油化工企业设计防火规范》的规定而推出的防爆安全设备。产品的技术性能、试验检验符合SY/T0512-1996《石油储罐阻火器》中的规定。燃气阻火器广泛应用于加热炉燃料气、天燃气、石油液化气、煤矿瓦斯排放的管阀,也适用于民用煤气管道,防止在非正常情况下火焰在管道中的逆向传播,从而保证整个系统装置及使用点的安全运行。

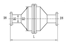
2.结构示意图(如图44)

图44
  
3.规格型号及技术参数(见表51)
                                             表51
型号
公称直径
DN
D1
D2
L
PN≤2.5
PN4.0
SLB-15
15
18
57
280
330
SLB-20
20
25
57
300
340
SLB-25
25
32
76
370
380
SLB-32
32
38
76
390
400
SLB-40
40
45
89
400
420
SLB-50
50
57
108
450
470
SLB-65
65
76
133
510
520
SLB-80
80
89
159
560
560
SLB-100
100
108
219
600
650
SLB-125
125
133
273
670
720
SLB-150
150
159
325
730
800
SLB-200
200
219
377
1000
1100
SLB-250
250
273
480
1150
1280
SLB-300
300
325
529
1430
1550
SLB-350
350
377
630
1450
1570

注:本产品的连接法兰按HG20593-97标准,用户需特殊设计,请在订货中予以说明。
 
南通市松立机械有限公司 地址:启东市汇龙镇环城北路 邮编:226200 联系人:顾永生 手机:13801464197
电话:0513-83214397 83356629 传真:0513-83214397 http://www.ntsljx.com E-mail:sl@ntsljx.com
炼炉混氧器