| |
|
四、视 镜
1. 产品用途
视镜是工业管道上主要附件,在石油、化工、医药、冶金、电力、食品等工业生产装置中能随时观察管道中流体介质流动及反应情况,起到监督生产避免生产过程中事故发生的作用。 |
| 2. 标注示例 |
|
视 镜 形 式 代 号 |
形 式 |
对 夹 式 |
单 压 式 |
螺纹压紧式 |
管 型 |
浮 球 式 |
代 号 |
Ⅰ |
Ⅱ |
Ⅲ |
Ⅳ |
Ⅴ |
|
3. 产品规格及主要参数
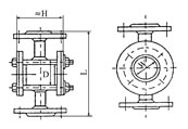
(1) SGⅠ型(对夹式)(见表60图55)表60 |
公称直径DN |
窗径W |
管内径D |
≈H |
L |
PN≤1.6 |
PN≤2.5 |
10 |
42 |
40 |
75 |
140 |
160 |
15 |
42 |
40 |
75 |
140 |
160 |
20 |
52 |
50 |
85 |
160 |
180 |
25 |
52 |
50 |
85 |
160 |
180 |
40 |
62 |
60 |
115 |
180 |
200 |
|

SGI型 图55 |
|
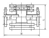
| (2) SGⅡ型(单压式)视镜(见表61图56) 表61 |
公称
直径
DN |
PN=0.6MPa |
PN=1.0/1.6MPa |
外形尺寸 |
外形尺寸 |
外形尺寸 |
外形尺寸 |
H |
L |
直径 |
厚度 |
H |
L |
直径 |
厚度 |
15 |
200 |
189 |
65 |
10 |
200 |
190 |
65 |
10 |
20 |
200 |
189 |
65 |
10 |
200 |
190 |
65 |
10 |
25 |
200 |
189 |
65 |
10 |
200 |
190 |
65 |
10 |
32 |
260 |
234 |
95 |
15 |
260 |
236 |
95 |
15 |
40 |
260 |
234 |
95 |
15 |
260 |
236 |
95 |
15 |
50 |
320 |
278 |
140 |
20 |
320 |
280 |
140 |
20 |
65 |
320 |
278 |
140 |
20 |
320 |
280 |
140 |
20 |
80 |
360 |
308 |
165 |
20 |
360 |
310 |
165 |
20 |
100 |
360 |
308 |
165 |
20 |
360 |
310 |
165 |
20 |
125 |
440 |
350 |
165 |
20 |
440 |
352 |
165 |
20 |
150 |
440 |
350 |
165 |
20 |
440 |
352 |
165 |
20 |
200 |
480 |
424 |
165 |
20 |
480 |
421 |
165 |
20 |
|

SGII型 图56 |
|
| (3) SGⅢ型(螺纹压紧式)(见表62图57) 表62 |
公称直径
DN |
L |
H |
|
K |
PN≤1.6 |
PN≤2.5 |
15 |
89 |
32 |
35 |
Rc1/2″ |
20 |
89 |
32 |
35 |
Rc3/4″ |
25 |
89 |
32 |
35 |
Rc1″ |
|
| (4) SGⅣ型(管型)视镜:工作温度≤80℃,允许急变温度<60℃ (见表63图58)表63 |
DN |
D0 |
V |
H |
L |
15 |
32 |
80 |
70 |
220 |
20 |
45 |
80 |
70 |
220 |
25 |
58 |
80 |
70 |
220 |
40 |
74 |
80 |
70 |
220 |
50 |
89 |
80 |
80 |
240 |
65 |
110 |
80 |
80 |
240 |
|
| (5) SGV型为螺纹连接浮球视镜(见表64图59) 表64 |
公称直径DN |
d |
D1 |
D |
L |
H |
公称压力PN |
20 |
16 |
Rc3/4″ |
38 |
120 |
70 |
≤1.0 |
25 |
16 |
Rc1″ |
40 |
120 |
70 |
30 |
16 |
Rc11/4″ |
50 |
124 |
70 |
40 |
16 |
Rc11/2″ |
56 |
124 |
80 |
50 |
16 |
Rc2″ |
66 |
124 |
80 |
|
|
|
|
SGIII型 图57 |
SGIV型 图58 |
SGV-I型 图59 |
|